
注:經日本TIRROLLER搬運坦克車制造商通知,該型號已停產
可選擇以下產品:
WSP-U搬運坦克車(合金鍍層,清潔環境使用)、WDP手搖搬運小坦克、W-UA搬運坦克車、WB-UA越障礙搬運坦克車(不平整地面使用)、WR-UA轉向搬運小坦克

?

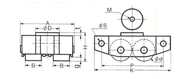
日本TIRROLLER WS-U搬運坦克車介紹:
* 日本TIRROLLER WS-U搬運坦克車輕量設計,超低底盤;框架耐久,維護保養簡便,安全性高
* 日本TIRROLLER WS-U搬運坦克車體積小重量輕;鋼制表面,穩定性強
* 日本TIRROLLER WS-U搬運坦克車帶有的轉盤可靈活調整方向,轉向靈活方便
* 日本TIRROLLER WS-U搬運坦克車采用聚氨酯輪,不損壞地面,承載力和耐磨性強,防止油脂污染地面

日本TIRROLLER WS-U搬運坦克車應用:
日本TIRROLLER WS-U搬運坦克車適用于工廠設備搬運、組裝、搬出;工廠布局的變更;車床、機械等移動和安裝;鋼鐵家具的搬運;空調移動和安裝等


日本TIRROLLER WS-U搬運坦克車為日本TIRROLLER原裝進口產品,保質1年,我公司承諾凡是客戶在我公司訂購的進口類產品均為原裝正品,絕不存在拆件貨,換件貨,假冒品牌產品,凡客戶從我公司訂購日本TIRROLLER產品如收到貨物時發現有拆件貨,換件貨,假冒、假貨仿貨均以100倍金額賠償。
產品選型:
產品資料:
直行搬運小坦克產品說明(包括產品結構、輪子、應用及注意事項介紹)