
? 鷹牌EAGLE GU-160多段爪式千斤頂為日本今野制作所生產,重工業級別的起重頂升工具,爪載荷8噸頂載荷16噸,爪位可按需調整,現授權煙臺開發區龍海起重工具有限公司銷售。

鷹牌EAGLE GU-160多段爪式千斤頂介紹:
* 鷹牌EAGLE GU-160多段爪式千斤頂多段爪式,補助爪及滑道式設計,爪位可自行調節
* 鷹牌EAGLE GU-160多段爪式千斤頂卸下補助部分,可作為標準型爪式千斤頂使用
* 鷹牌EAGLE GU-160多段爪式千斤頂主軸光滑,高強度鉻電鍍加工,不漏油不變形
* 鷹牌EAGLE GU-160多段爪式千斤頂安全裝置齊全:防超載安全閥,高度限位裝置

鷹牌EAGLE GU-160多段爪式千斤頂實物:
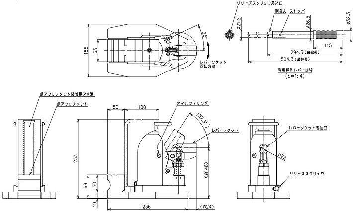
下圖為GU-160多段爪式千斤頂細節展示,我公司作為授權商承諾凡在我公司購買該品牌產品,若有假貨、仿貨將以產品貨值的百倍賠償!

![]()
GU-160多段爪式千斤頂為日本EAGEL? JACK原裝進口產品,保質1年,我公司承諾凡是客戶在我公司訂購的進口類產品均為原裝正品,絕不存在拆件貨,換件貨,假冒品牌產品,凡客戶從我公司訂購日本EAGEL? JACK產品如收到貨物時發現有拆件貨,換件貨,假冒、假貨仿貨均以100倍金額賠償。
產品選型:
產品資料:
鷹牌EAGEL千斤頂中國區域授權代理(授權書)